
全國定製谘詢熱線
0769-23103048

氣液增壓缸設備行業優選品牌!
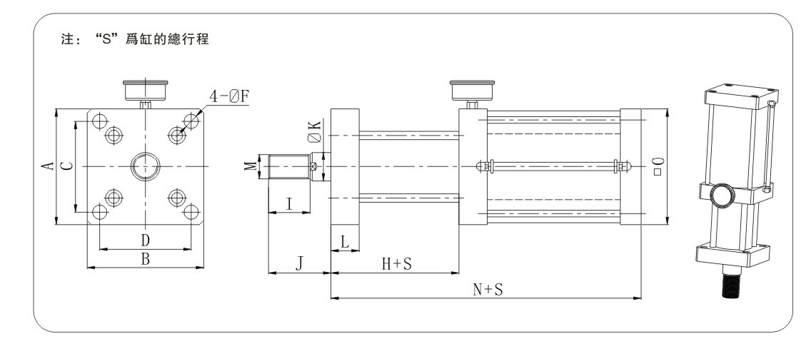
玖容氣液增壓缸型號共有十多種,每種型號都有不同的尺寸參數,為了方便用戶快速方便地安裝所購買的氣液增壓缸,下麵分享下玖容11款常用氣液增壓缸尺寸參數。
1、JRA標準氣液增壓缸尺寸參數
2、JRAA標準型水平安裝氣液增壓缸尺寸參數
3、JRB力行程可調氣液增壓缸尺寸參數
4、JRC總行程可調氣液增壓缸尺寸參數
5、JRD總行程及力行程可調氣液增壓缸尺寸參數
6、JRE直壓式氣液增壓缸尺寸參數
7、JRF快速單列式氣液增壓缸尺寸參數
8、JRG複合式氣動液壓缸尺寸參數
9、JRM快速型氣液增壓缸尺寸參數
10、JRP並列式氣液增壓缸尺寸參數
11、JRT並列倒裝型氣液增壓缸尺寸參數
備注:1、以上數據為標準型氣液增壓缸尺寸參數,為玖容自定的標準數據,如因實際工作需要,可定製特殊規格。
2、編號“N”是以20mm內氣液增壓缸計算,如增壓力行程長超出20mm時,請以玖容工程圖紙實際尺寸參數為準。
3、編號“R”是以20mm內氣液增壓缸計算,如增壓力行程長超出20mm時,請以玖容工程圖紙實際尺寸參數為準。
4、玖容氣液增壓缸尺寸參數表中出力噸位均以6kg/cm工作氣壓計算。